YUKEN叶片泵官网
咨询电话:13686884195
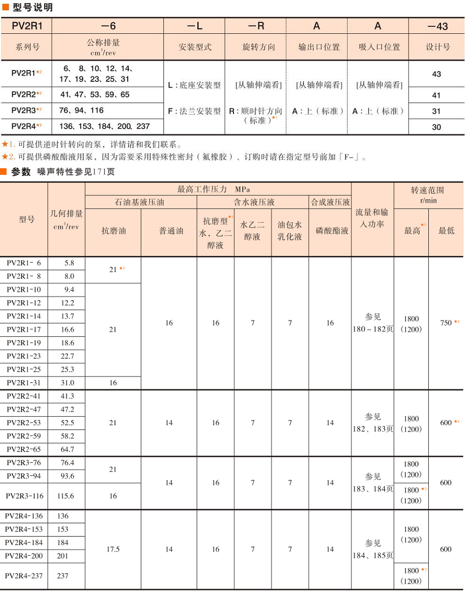
PV2R型单泵

PV2R型双联泵

50T 、150T单泵

SVPF可变叶片泵

SVPDF双联可变叶片泵

澳门灵蛇网4949-香港灵蛇网论坛资料大全最新-灵蛇网4846cc最新版本更新内容-灵蛇网4668cc-灵蛇澳门2025年今晚看
香港六玄开奖网-六玄网132432-六玄神马开奖44579-六玄公式6588777-六玄神马免费中特料-澳彩六玄网论坛6258cmcc
灵蛇澳门2025年今晚看-灵蛇网4846cc-灵蛇网免费资料大全--灵蛇网4846cc最新版本更新内容-澳门灵蛇网4949
welcome如意彩|首页
天游8线路检测中心|欢迎您
万彩网-欢迎光临