一号彩票

咨询热线:

136-8688-4195
油研
当前位置:主页 > 一号彩票 > YUKEN电机

YUKEN电机

PM10-01B-1.5-30油研YUKEN电机泵

PM10-01B-1.5-30油研YUKEN电机泵

  • PM10-01B-1.5-30油研电机泵是油研公司的一款产品,它采用先进的液压技术,具有高效、稳定、低噪音、体积小、操作方便等特点。该电机泵适用于许多领域,如工业液压、航空航天、汽车

产品齐全
现货供应
质保一年
咨询电话:136-8688-4195
相关说明:
油研PM10-01B-1.5-30电机泵有什么特点?
    PM10-01B-1.5-30油研电机泵是油研公司的一款产品,它采用先进的液压技术,具有高效、稳定、低噪音、体积小、操作方便等特点。该电机泵适用于许多领域,如工业液压、航空航天、汽车制造等。其工作压力可达到30MPa,排量达到1.5L/min,能够在高压力和高流量的情况下提供良好的性能。此外,该电机泵还具有良好的密封性能,能够保证液体不泄漏,并且具有长的使用寿命和较低的维护成本。总的来说,PM10-01B-1.5-30油研YUKEN电机泵是一款性能卓越、操作方便、适用性广泛的液压产品。
PM系列油研电机泵技术参数及型号说明:
PM系列油研电机泵技术参数及型号说明
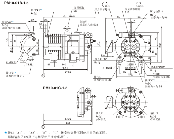
油研电机泵PM10-01B-1.5-30安装尺寸:
油研电机泵PM10-01B-1.5-30安装尺寸
澳门灵蛇网4949-香港灵蛇网论坛资料大全最新-灵蛇网4846cc最新版本更新内容-灵蛇网4668cc-灵蛇澳门2025年今晚看 香港六玄开奖网-六玄网132432-六玄神马开奖44579-六玄公式6588777-六玄神马免费中特料-澳彩六玄网论坛6258cmcc 灵蛇澳门2025年今晚看-灵蛇网4846cc-灵蛇网免费资料大全--灵蛇网4846cc最新版本更新内容-澳门灵蛇网4949 welcome如意彩|首页 天游8线路检测中心|欢迎您 万彩网-欢迎光临